早押しボタン 回路図 196816-早押しボタン 自作 回路図
ボタンを押していない状態では縦方向のみ電気が流れます。 ボタンを押している間は横方向への電気が流れるようになります。 スイッチでledを点灯させてみよう それでは先ほどのled点灯回路に組み込んでみましょう。 まずはそのままpcに繋げてみましょう。・早押しボタンはクイズ界標準の、オムロン製vaqスイッチを使用。 ・ランプ色:赤・青・緑・黄・白(透明) *ご注文時にランプ色をご指定ください。 *他製作者様製の早押し機には使用できません。それぞれ規格が違うため、接続した早押し機が故障する恐れがあります。 ★大型ランプのキット取扱説明書回路図集(web版) 回路図集Ver.9発売中⇒ s マイコン関係 aki80ゴールドキット aki80シルバーキット superaki80・キット aki picプラチナキット akipicマイコンモジュール・キット akipic 16f628使用超小型マイコンボード・キット akipic877モジュール(完成品) akipic877モジュール用
No17 リレーを使った早押し回路 いなぎ電子キットのページ
早押しボタン 自作 回路図
早押しボタン 自作 回路図- あとで回路図を載せますので、作ってみてはいかがでしょうか。 キット化の準備もしていますので、よろしければキットの購入もお考え下さい(部品代がわりとかかるので、ちょっと高くなってしまうかも・・・) Related Videos 021 LEDが順番に光る回路 いなぎ電子キットで電子工ということで、 リセットするためのボタンが追加で1つ必要になります。 回路図 ボタンが8個中5つを使用し、4つを早押しボタン、1つをリセットボタンとして使用します。 また、その他のボタンを効果音設定ボタン(SEボタン)とし、ボタンを押すと予め用意した音源をRaspberry Piから鳴らすこと



ねがてぃぶろぐ 電子工作
早押しクイズとなったとき、 一番最初にボタンを押した人のランプが付いて、その人に解答権がある訳ですが、 一番最初にボタンを押した人のランプが付いて、その人に解答権がある訳ですが、 他の人が、その後いくらボタンを押しても、ランプが付きませんよね。 この様に、一つの動作�基礎からはじめるシーケンス制御講座 初級:簡単な回路作成 GX Developerの簡単な使い方を説明したところで、簡単な回路を製作してみようと思います。回路とはラダー図のことです。 まず動作なのですが、適当に決めます。 早押しボタンオンラインはブラウザだけですぐに遊べるWebアプリです。もちろんスマートフォンにも対応! 上のボタンをクリックして、好きなニックネームで部屋に参加しよう! PCでは、スペースキーとエンターキーでボタンを、デリートキーでリセットをすることができます。 URLや
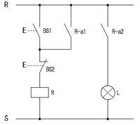
早押し判定機はクイズの解答権を取り合う際に使用する機器で、 製作した機器は6人で競い合うことができる。 インタロック回路を使用しているため、回答者のランプが点灯し ているときは他のボタンを押しても点灯しない様になっている。リレードライブ端子付きなので「早押し判定用リレーボード804RY(別売)」を取りつけて回転灯を動かすなども可能です。 SiteMap・プライバシーポリシー・ FAQ・ 中文(繁體) トップ >ワンダーキット>その他>HA808 共立プロダクツの各ブランドは下記のリンクボタンからまたは、左サイドのバ リセットボタンを押した後、AまたはB早いほうが点灯するのですよね。 リセットボタンをAまたはBを同時に押すのではないと思いますが、、、 >もしNOTゲートを使えると、ResetはNOTゲートを使って、Rに接続したいです。 NOTゲートはNORの入力に同じのを入力すればよいのでは? 早押し回路だと
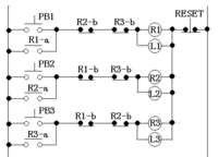
Chap.3 AND,OR,NOT回路をつくる この章では、 ラダー図 シーケンス図でAND,OR,NOTを作ってみます。 3.1 AND回路 図3.1は、 ラダー図 シーケンス図で表現したAND回路です。 図3.1で、押ボタンスイッチPB1、PB2の両方を押すと、リレーR1のコイルに電流が流れます。Galapara 早押しボタン アンサーブザー 小さなサイズの簡単なキャリー音声録音サウンドボタン 子供のためのインタラクティブトイ・アンサーボタンオレンジピンクブルーグリーン 5つ星のうち35 2 ¥2,560 ¥2,560 明日, 6月8日, 800 10までにお届け 残り2早押し機回路図, 取扱説明書 & 自作・改造マニュアル – 1 – ~ 早押しボタンと判定器 ~ 取扱説明書 & 自作・改造マニュアル – 2 – 0.はじめに(経緯) テレビのクイズ番組に使われているような早押しボタンがあると,盛り上 がると思いませんか。いろいろと構想を練るうち,欲が出て



1997 号 無線早押し検出システム Astamuse



早押しスイッチを自作してみたら 想像以上に楽しかった ペロのログ ペログ
Grape_ll score 80 実現したいこと 回路中にボタンが二つ(A, B)あり,Aを先に押したなら"player1",Bならば"player2"と表示させるもの. 片方のボタンが押されたらLEDを点灯させて,入力図の様にcn9に取付けてください。 +-の極性をよく確認して 取付けてください。 ココに挟む 上部のねじを 時計方向に回すと 金属板が上がって 閉まります ※逆電圧保護回路が入っているので+-が逆でも破損しませ んが、まったく動作しません。 このようにPLCが持っている機能命令を使用することで、スイッチ入力が来るたびに、ビットのON/OFF状態を反転するシーケンス図を簡単に作成することが出来ます。 詳細は以下の記事を参照願います。 ラダー言語ボタンひとつで出力をON/OFFするプログラムの作成方法 ラダープログラムにてオルタネート出力回路を作成する方法について解説します。 また



クイズ番組で使うリレー回路クイズ番組で使う早押しのリレーの回路を詳 Yahoo 知恵袋



早押し回路 について質問です 条件 ボタンスイッチ1 Bs1 を Yahoo 知恵袋
電子工作 回路編22スイッチの早押しボタン回路 技術・工作 よくクイズ番組とかで見かける早押しボタンの回路をマイコンを使わずにトランジスタで作ってみましシーケンス図回路で早押しボタンスイッチ3個入りで作りたいの よく使う電気設備の図面記号186選 早押し機の作成 Coocan 電子工作 回路編22スイッチの早押しボタン回路 ;リレーの自己保持回路を使った早押しボタン回路の回路図を載せます。 これでうまく動いているので、自己保持回路、早押し回路、としては問題ないと思います。 部品を持っている方はぜひ作ってみてはいかがでしょうか。 結果をご報告いただけたら、うれしいです。



早押しスイッチを自作してみたら 想像以上に楽しかった ペロのログ ペログ



1
押ボタンスイッチのa接点とb接点は、 ラダー図 シーケンス図上では図1.3のように書きます。 図1.3 押ボタンスイッチのa接点とb接点 リレーも押ボタンスイッチも、1つの部品の中に複数の接点が入っていることもあります。リレーを使った早押し回路IDK017 ・リレーを使った2つのスイッチの早押し回路です。 ・2つのスイッチのうち早く押されたほうのLEDが点灯し、その状態を保持します。 ・リレーを使った自己保持回路をもとに構成した回路です。 ・組み立て説明書をキットに同梱しており、回路図、回路説明、部品配置図を載せています。 <回路のポイント! > ・自己保持回路 早押しボタンの作り方を調べてみると、マイコンやリレーを使用したものが多くありました。しかし、これらは必ず遅延があります。 そこで今回は、トランジスタを使って出来るだけ早く反応する早押しボタンを作ってみました。 回路図 仕組み 子機の回路図を、わかりやすいように主要な



Nekoboardで早押しボタンをつくる スイッチサイエンス マガジン



リレー回路
①押しボタン(x0)を押すとy1のランプが点灯する。 ②押しボタン(x0)を離しても出力は保持されているのでランプは点灯したままとなる。 ③再度押しボタンを押すとy1の出力はoffとなりランプは消灯する。 ④押しボタン(x0)を離してもそのまま消灯したままと単純に,電源→スイッチ(早押しボタン)→led の回路を4つ(複数)並 べた状態を基本とすると,そこに次の機能が必要となります。 ・早押しボタンが押されると1~2位の場合,led の点灯だけでなく,効果 音も出る機能(右図D,G,J)。 シーケンス図回路で 早押しボタンスイッチ3個入りで作りたいのですが? 一番早いボタンのランプが点灯すれば 他の2個ランプは点灯されない回路です 部品はランプ3個と 3極連動切り替えリレーコイル3個 A接点スイッチ3個 元の状態に戻すB接点スイッチ1個です これだけ使って 簡単な回路です よろしくお願いします



easy84シリーズその2 speedking



1
この早押し判定回路は、キットや製品が市販されているし、インターネット上でも公開 されているので簡単に入手することができます。しかし、インターネット上で検索したり 図書館に行って調べたりして入手した回路図通りに作っても創造力や考える力が養えると はとても思えません。ここは、やはりand、or、not など論理回路の動作やフリップ図8 4 入力早押し判定器回路図 R = 1k Ω, C = 10 μ F 図9早押し判定機概観図 図 10 スイッチ入力前 図 11 スイッチ入力後 3 早押し判定回路における周辺回路 31 早押し判定機における修正点早押し判定2キット組立サポート付HA808 (G) web販売価格 ¥5,500(税込) 注文受付単位:1 在庫 通常10営業日出荷 (5個以上は要納期確認) 送料区分 宅配便 (ヤマト運輸) メーカー 共立電子産業



汎用ロジックicによる早押し回路 まごころせいじつ堂



ねがてぃぶろぐ 電子工作
早押しボタンの回路とプログラム 解決済 回答 2 投稿 1546 ・編集 37 評価 ; No17 リレーを使った早押し回路 リレーは本来小さな電気信号で大きな電流を流すものを制御するのに使用します。 例えば、マイコンで100Vの電灯を制御する回路にリレーを使う場合、 ①マイコンの出力ポートでトランジスタをオンさせる (※リレーの制御にはマイコンからのポートの電流だけでは不足するためトランジスタを使います) ②トランジスタの早押しボタンのシーケンス回路とタイムチャートの作り方 シーケンス制御の部屋 ラダー図のタイマー回路について Okwave 実践的な 今すぐ使えるplc制御プログラムのワークショップ 公開サンプルプログラム付き ノウハウ初級 後入力優先回路のラダープログラム例 三菱fx 電気設計人 Com ほぼ



カラー徹底図解 基本からわかるシーケンス制御 Amazon Com Books



4入力早押し判定器及び周辺回路
結局,WEBで偶然見つけた,押しボタン(Omron W5GFA12 http//akizukidenshicom/catalog/g/gP/)を有線で使うことにしました。 (右図) また,回路作成に当たり,次のことが満足できるように考えてみました。 ・PCがない場所でも,この早押し判定が機能するように,PCとは関係なく独立して使えるようにする。 ・1位だけでなく,2位まで判定できるようにし,押しボタン



トランジスタで早押しボタン作ってみた Elchika



No17 リレーを使った早押し回路 いなぎ電子キットのページ



リレー回路



いさな工房hp Emc Fastest



早押しボタンのシーケンス回路とタイムチャートの作り方 シーケンス制御の部屋



リレーを使ってみました いなぎ電子キットのページ



論理回路について 早押しボタン みなさん お世話になります 下記の 教えて Goo



シーケンス図で分からないところがあります 3人早押しの回路で 最初 Yahoo 知恵袋



ねがてぃぶろぐ 早押しボタン



早押しボタンのシーケンス回路とタイムチャートの作り方 シーケンス制御の部屋



Http Tam3 On Coocan Jp Kyomu Hayaoshi Manual12 Pdf



シーケンス図回路で早押しボタンスイッチ3個入りで作りたいのですが 一番早 Yahoo 知恵袋



No17 リレーを使った早押し回路 いなぎ電子キットのページ



早押し機 Quiz Do やる クイズ支援サイト 仮 準備サイト 旧 Quot クイズポータル Quot Atwiki アットウィキ



汎用ロジックicによる早押し回路 まごころせいじつ堂



Http Www Naha Th Open Ed Jp kikai Jissyu 2fa Pdf



シーケンス図で分からないところがあります 3人早押しの回路で 最初 Yahoo 知恵袋



4入力早押し判定器及び周辺回路



No14 スイッチを押すたびにledがオンオフする回路 いなぎ電子キットのページ



実態配線図は初心者に分かりやすい いつくかの回路で事例紹介 電気エンジニアのツボ



plc演習 早押しクイズ押しボタン制御



シーケンス図回路で早押しボタンスイッチ3個入りで作りたいのですが 一番早 Yahoo 知恵袋



早押しスイッチを自作してみたら 想像以上に楽しかった ペロのログ ペログ



リレー回路



早押し機安定供給チーム 1 チーム立ち上げのご報告 Quiz Do



クイズ番組で使うリレー回路クイズ番組で使う早押しのリレーの回路を詳 Yahoo 知恵袋



電子工作 回路編22 スイッチの早押しボタン回路 Youtube



シーケンスの基本回路 インターロック回路 基礎からわかる電気技術者の知識と資格



いなぎ電子キットで電子工作 リレーの自己保持回路を使った早押しボタン回路の回路図を載せます これでうまく動いているので 自己保持回路 早押し回路 としては問題ないと思います 部品を持っている方はぜひ作ってみてはいかがでしょうか 結果をご報告いただけ



インターロック回路について スイッチが三つの状態の回路図を書いてくださ Yahoo 知恵袋



1



3



キャンピングカー 10 自己保持回路とヒューズボックス お父さんの工作室



4入力早押し判定器及び周辺回路



教務事務の軽減 早押しボタン



Micro Bit Stem レッスン 7 早押しクイズ Osoyoo Com



リレー回路



シーケンスの基本回路 インターロック回路 基礎からわかる電気技術者の知識と資格



早押しガンマンゲームの製作



18年08月29日 Arduinounoのblog



クイズ大会のための 早押し機 早押し判定機 早押しボタン を自作しました フリーランス兼業主夫日記



実態配線図は初心者に分かりやすい いつくかの回路で事例紹介 電気エンジニアのツボ



画像の解答者押しボタンと司会者リセットswを使う三人による早押 Yahoo 知恵袋



リレー回路



教務事務の軽減 早押しボタン



ねがてぃぶろぐ 07年12月



デジタル回路は案ずるより いじる が易し 新刊ピックアップ 技術評論社



バスの降車ボタンのシーケンス回路の作り方 シーケンス制御の部屋



実態配線図は初心者に分かりやすい いつくかの回路で事例紹介 電気エンジニアのツボ



4入力早押し判定器及び周辺回路



教務事務の軽減 早押しボタン



4入力早押し判定器及び周辺回路



いなぎ電子キットで電子工作 リレーを使った早押しボタン回路 Facebook



押しボタンスイッチとは 接点記号と配線図 基礎からわかる電気技術者の知識と資格



4入力早押し判定器及び周辺回路



Raspberry Piとarduinoで社内イベントのための早押しボタンを電子工作してみた Optim Tech Blog



画像の解答者押しボタンと司会者リセットswを使う三人による早押 Yahoo 知恵袋



キャンピングカー 10 自己保持回路とヒューズボックス お父さんの工作室



早押しゲーム器



4入力早押し判定器及び周辺回路



4入力早押し判定器及び周辺回路



2



2



インターロック回路について質問です 押しボタン式のスイッチを二つ Yahoo 知恵袋



3分で理解できる自己保持回路の仕組み シーケンス制御 Degitekunote2



電気入門総合情報 Com 電気工事士及び電気の基礎入門情報サイト シーケンス制御 インターロック回路



実態配線図は初心者に分かりやすい いつくかの回路で事例紹介 電気エンジニアのツボ



このインタロック回路を押しボタンスイッチ4つにした時の回路を教えて貰えませんか Yahoo 知恵袋



リレーの自己保持回路 いなぎ電子キットのページ



バスの降車ボタンのシーケンス回路の作り方 シーケンス制御の部屋



ねがてぃぶろぐ 07年12月



早押しボタンのシーケンス回路とタイムチャートの作り方 シーケンス制御の部屋



クイズ大会用早押し機を作った時のお話 ヽ W ノ カフェとゲームとワンちゃんと 謎



Raspberry Piとarduinoで社内イベントのための早押しボタンを電子工作してみた Optim Tech Blog



シーケンス制御 ボタンひとつで出力をon Offするリレー回路 Fa電気屋さんの学ぶブログ



教務事務の軽減 早押しボタン



シーケンス制御 ボタンひとつで出力をon Offするリレー回路 Fa電気屋さんの学ぶブログ



トランジスタで早押しボタン作ってみた Elchika



先ほど説明不足で再度投稿いたします早押しボタン回路の有接点シーケンス図を作成 Yahoo 知恵袋



Nekoboardで早押しボタンをつくる スイッチサイエンス マガジン



Cypress Ez Usb ギガテック株式会社



シーケンスの基本回路 インターロック回路 基礎からわかる電気技術者の知識と資格



Ltspiceでリング発振器 ねがてぃぶろぐ



取扱説明書 自作 改造マニュアル Manualzz



どっちが優先 シーケンス制御講座



論理回路について 早押しボタン みなさん お世話になります 下記の画像 Okwave



Raspberry Piとarduinoで社内イベントのための早押しボタンを電子工作してみた Optim Tech Blog



電子工作 回路編22 スイッチの早押しボタン回路 Youtube



No17 リレーを使った早押し回路 いなぎ電子キットのページ



汎用ロジックicによる早押し回路 まごころせいじつ堂

コメント
コメントを投稿